INTRODUCCION
Cuando el TV ingresa al modo SDM se observa la pantalla de la figura 2:
Presionando Cursor Down “” en el control remoto normal aparece la pantalla SM1 y por otro pulsado la CSM2. Presionando Cursor Up “” se vuelve a CSM1. Ver las figuras 3 y 4:
Los códigos de error se explicitan el tabla de la figura 5
Philips emplea un sistema llamado ComPair que consta de una interfaz que se conecta entre el equipo y la PC y un programa que se carga en la PC según se indica en la figura 6:
El método de alineación del blanco consiste en la utilización de un fotómetro tricromático; que es un instrumento que permite filtrar los colores R G y B haciéndolos incidir en sendos fotosensores que generan un número en el display para el R otro para el G y otro para el B. El ajuste consiste en igualar estos números con el indicado en la tabla que viene con el instrumento. El autor está desarrollando un instrumento que reemplaza al indicado.
El resto del amplificador de audio suele estar totalmente integrado y solo posee cuatro patas de salida para la línea de retardo en los casos en que dicha línea no este incluida en el propio integrado. Una falla en la línea de retardo puede provocar un corte total del audio. El problema es como determinar si la falla está en el procesador de audio o en el sistema de retardo. La solución es muy simple; se debe desconectar el retardo, conectar salida con entrada del procesador y probar. Si aparece el audio aunque sea fuera de sincronismo significa que el problema está en el circuito de retardo.
Un equipo moderno no puede repararse solo con la observación de la pantalla. Por lo general la misma permanece a oscuras cuando se produce una falla en cualquier etapa o a veces en la señal de entrada. Por ejemplo si Ud. está observando un canal de cable que de pronto ve reducida significativamente su amplitud en la entrada de antena, no va a observar una señal con ruido en la pantalla. Lo más probable es que opere el video Killer y la pantalla pase a tener un color azul. Dependiendo de cada marca y modelo de TV es posible que aparezca alguna leyenda en la pantalla indicando el problema (por lo general en Inglés). Pero en algunos casos solo se observa una pantalla negra y el sonido cortado. El mismo caso se puede observar si falla la FI de video del TV.
Esto parece una complicación más que una ventaja para el técnico, pero sin embargo no así, si este cuenta con la información necesaria para ingresar al modo service e interrogar adecuadamente al TV.
Si, leyó bien el modo service le permite al reparador interrogar al TV para averiguar porque operó una protección o para eliminarla provisoriamente si se trata de una protección posible de eliminar sin causarle daño al TV. Un TV moderno suele tener diferentes niveles de modo service. Podemos decir que un técnico adecuadamente informado por el manual de servicio puede hacer que el TV funcione en el modo normal, el modo ajuste y predisposición y en el modo service. Lamentablemente cada fabricante llama a estos modos con diferentes nombres
CONSIDERACIONES SOBRE LOS MODOS DE SERVICIO
En principio debemos indicar como se accede al modo service de los diferentes TVs de LCD y Plasma. Por suerte en prácticamente todos los casos se ingresa utilizando el control remoto del propio TV. En algunos casos se utiliza algún control remoto especial pero por lo general el control remoto común se transforma en especial con algún contacto secreto que no sale al exterior del gabinete o realizando algún puente.
En otros casos detectamos que si bien la mayoría de las acciones se realizan con el control remoto común habilitado con un código especial; existe un conector vacío que se conecta a una interface para PC. Cargando la PC con un programa especial se consiguen mayores ayudas para la reparación que trabajando con el control remoto.
Para trabajar en el TELEVISOR vamos a indicar primero como se ubican los puntos de prueba, luego indicaremos como se ingresa a los diferentes modos de servicio; como se interpretan los códigos de error que salen en la pantalla, como se decodifica el modo de pulsado del led piloto, como se aplica la ayuda al service (ComPair) y por último veremos algunas aplicaciones de casos de fallas específicos.
Philips indica los puntos de prueba en el manual de servicio como un pequeño cartelito gris colocado sobre el circuito correspondiente. Dentro del rectángulo se indica el punto de prueba como Fxxx o lxxx. Los puntos de prueba se marcan además sobre el dibujo del circuito impreso con un semicírculo con un punto central.
Todas las mediciones se realizan con un cuadro de prueba de barras de colores de SDTV multinorma y una señal de audio de 3 KHz en al canal izquierdo y de 1 KHz en el derecho.
Este chasis posee un control remoto especial para modo service o DST (Dealer Service Tool; RC7150) que facilita el ingreso; pero las operaciones pueden ser realizadas con el control remoto común. Los modos services son dos. Ambos accesibles desde el mismo control remoto común o especial. Uno es el modo SDM (Service Default Mode = modo de servicio para modificar la predisposición inicial) Y el otro es el SAM (Service Alignment Mode = modo de servicio para la alineación o ajuste).
El SDM se utiliza por lo general para predefinir el seteo de arranque del equipo. En fabrica el equipo arranca en la características por default que estén grabadas en la memoria del microprocesador previo a su colocación. Por ejemplo con el brillo a mitad de escala el sonido al 25% del máximo, en el modo SDTV, sintonizado en el canal 2 de VHF, con todas las protecciones activas etc. etc. Muchas de estas características pueden ser modificadas por el gusto del usuario o en forma automática.
Por ejemplo si al usuario le gusta un brillo mayor puede simplemente aumentarlo con el control remoto. También puede cambiar de canal o de modo de funcionamiento, por ejemplo a HDTV. Cuando apague el TV todas estas características se grabaran automáticamente en la memoria, que es no volátil y por lo tanto admite inclusive la desconexión de la red sin borrarse.
Ingresando al SDM se pueden modificar parámetro a los cuales el usuario no tiene acceso como por ejemplo la protección de la fuente de 5V, la selección del tipo de FIV y de FIS y otros. Es decir que al producir el arranque en el modo SDM si el TV funciona normalmente desde el punto en que ingresan las señales de OSD hasta la pantalla, se pueden ajustar parámetros importantes para el funcionamiento del TV en la norma local que se indica en el manual. Y en caso de falla sirve para probar el TV con el modo de destellos del led piloto.
Para activar el SDM con el control remoto standard se debe marcar la secuencia 0-6-2-5-9-6 y posteriormente apretar “menu” luego que el TV fuera encendido en el modo normal o en el modo SAM. También se puede activar el modo SDM por un cortocircuito momentáneo entre las patas 5 y 6 del conector 1170 que se encuentra en la plaqueta del led piloto y el receptor de remoto. Luego se conecta el convertidor externo de 220V a
12/24V. Nota: al ingresar en el SDM de esta forma se anula la protección de la fuente de 5V por lo que no se recomienda que el TV esté encendido mas de 15 segundos si presenta una falla. Cuando se ingresa al SDM en la pantalla aparece el menú SDM que se indica en la figura 1Fig 1Pantalla de ingreso al modo SDM
En esta pantalla se puede observar en el primer renglón el tipo de TV al cual pertenece el chasis y la cantidad de horas de uso en números hexadecimales.
En el segundo renglón se coloca información con referencia al programa grabado en el micro de la plaqueta analógica y digital. En la figura se muestra solo un ejemplo pero la inscripción general se indica a continuación:
LC03BBC-X.YY S3DDE.FF
LC03 es obviamente el número de chasis (Significa LCD diseñado en el 2003).
BBC es una letra y dos números que indican el software regional y los lenguajes que soporta el TV.
La X indica la versión del programa y la YY la subversión del mismo. S3 indica el tipo de paqueta digital que usa el TV diseñada en el 2003. DD el tamaño de pantalla LCD en pulgadas.
E es el número de versión y FF el número de subversión de la placa digital.
En el tercer renglón se observa el código de error (todos ceros indica un funcionamiento correcto) y en el cuarto el Option Code o código de la opción de funcionamiento que son explicados luego en detalle
Para desactivar el SDM presione 0-0 en el control remoto normal o presione el pulsador de stand by. Al salir de este modo no se borra el código de error si lo hubiera. Si el TV se apaga por la llave principal, cuando arranca nuevamente ingresa automáticamente en el modo SDM.
En SDM se definen las siguientes predisposiciones:
1 PAL forzado con el TV sintonizado en 475,25 MHz. (canal 66 de cable IRC)
2 NTSC forzado en el canal 3 (61,25 MHz)
3 Nivel de volumen al 25% del valor máximo
4 Otros controles de imagen y sonido al 50%
5 Timer apagado
6 Sleep timer (temporizador de sueño) apagado
7 Parental Lock (control parental) desconectado.
8 Pantalla azul apagada.
9 Modo hospital (o modo hotel) apagado.
10 Identificador de emisora activa, apagado (normalmente cuando falta señal por mas de 15 minutos el TV se apaga).
Las otras condiciones operan normalmente.
El SDM tiene algunas condiciones especiales; por ejemplo permite el acceso normal al uso del menú en pantalla. Presionando el pulsador de menú del control remoto permite observar la pantalla de menú con la pantalla de SDM de fondo suave.
Presionando el pulsador “P+” permite observar el canal siguiente de la lista de canales activos.
Presionando “OSD” o “info” del control remoto muestra u oculta la pantalla para poder observar limpiamente los oscilogramas de video.
Para entrar al modo SAM se debe presionar en secuencia los números del control remoto 0-6-2-5-9-6 “info+” u OSD del control remoto común estando en el modo normal o en el modo SDM. Para desactivar el SAM presione 0-0 en el control remoto o pase el TV a stand by (el buffer de error no se limpia).
Nota: cuando el adaptador AC/DC se apaga o desconecta al encenderlo nuevamente el TV queda en la condición de funcionamiento normal.
Fig 2 Pantalla del modo SAM
Los renglones superiores son una repetición de los correspondiente a la pantalla del SDM. Los inferiores son la zona de navegación. Seleccione el ítem deseado con los pulsadores UP/DOWN. Por ejemplo “geometry” y luego pulse “>”/”<” para activar el menú de geometry. Inmediatamente aparecerá un submenú en donde podrá volver a navegar eligiendo por ejemplo HOR.SHIFT. Luego active el submenú seleccionado.
Para retornar al menú previo pulse la tecla “MENU” tantas veces como sea necesario.
Muchas veces se debe borrar un código de error del buffer para conseguir un funcionamiento adecuado del TV. Por ejemplo cuando se produjo una sobrecarga de una etapa luego de haberla reparado debe borrarse el buffer para que el TV vuelva a excitar dicha etapa.
La funcionalidad del resto de los títulos del menú será explicada mas adelante.
Existe un tercer modo de servicio que sirve solo para observar el contenido de las predisposiciones sin posibilidad de cambiarlo accidentalmente. Este modo es usado por ejemplo durante un service domiciliario cuando el reparador se comunica telefónicamente con su base para que le indiquen que parámetros debe modificar. O en casos de clientes muy alejados, para que ellos mismos determinen el estado del TV sin posibilidad de que cambien nada. Este modo es el CSM (customer service mode = cliente service mode). Es decir que se trata de un modo de lectura solamente que no permite realizar modificaciones.
Para ingresar al CSM debe pulsar 1-2-3-6-5-4 o por presión simultanea del pulsador mute del control remoto y alguna tecla del frente del TV (P-, P+,VOL+,VOL-) por aproximadamente 4 segundos.
Cuando se activa el CSM son predispuestas los niveles nominales de los controles; se apaga cualquier modo que pueda interferir en el normal funcionamiento del TV como por ejemplo sleep timer (modo sueño), auto stand by (auto apagado), etc..
Fig 3 Pantalla CSM1
Fig 4 Pantalla CSM2
Para seleccionar un canal se puede presionar P+ o P- o el número de canal que se desea.
Para salir del CSM presione algún pulsador del control remoto que no sea cursor UP/DOWN o P+/P-. También se puede apagar el TV desde la tecla de apagado o desconectar el conversor CA/CC de la red.
La pantalla de CSM1 nos permiten obtener diferentes datos. Hasta la línea 4 se repita la información de los otros modos. A partir de la línea 6 podemos obtener una nueva información realmente útil para el service.
La línea 6 indica el sistema de color y de sonido en que está funcionando el TV; en la figura esta por ejemplo indicada la región WEST EUR (Europa del Este). Todos los preseteos posibles están indicados en el manual de Instalación.
La línea 7 indica si el TV está sintonizado sobre un canal o tiene una fuente de video adecuada en alguna de sus entradas. Es decir que tenga una señal identificable como de TV. En el ejemplo el TV no esta sintonizado en una señal reconocida por el bloque IDENT del jungla.
Esta condición puede significar varias fallas diferentes. Lo mas importante es que el reparador debe ubicar el bloque IDENT para saber que una falla de video posterior a ese bloque no puede generar un”no signal” en el CSM1. Si está tomando señal de la FIV tome una entrada directa auxiliar CVBS o SVHS para determinar el lugar de la falla. Si es solo con las señales de FIV compruebe la FI y el sinto.
El renglón 8 esta dedicado a al “slep timer” o temporizador de sueño. Indica que dicho temporizador llegó al fin de su conteo y si el TV estuviera en el modo normal se habría apagado. El problema se debe casi con seguridad a que esta mal seteado el timer que puede ajustarse desde 0 a 240 minutos. Si se lo ajusta en cero el aparato se apaga inmediatamente. Le aconsejamos ajustarlo en 1 minuto y verificar que la temporización se cumpla rigurosamente. Una falla en el temporizador es algo muy poco frecuente, ya
que indica que falla solo una parte del programa dedicada al sleep time, en tanto que el resto funciona normalmente. Esto no es imposible pero es muy poco probable.
La línea 9 indica “canal bloqueado”. Esta es una condición que puede ser programada por el usuario para bloquear por ejemplo los canales porno de su grilla. Pero puede ocurrir que en un intento de desbloquearlo muchas veces el usuario termina bloqueando todos los canales o algunos. En este caso sintonice los canales bloqueados con P+ y P-. Luego seleccione el menú “FEATURE” con el control remoto, elija “LOCK” y luego “OFF”.
La línea 10 indica que el canal no esta seleccionado como preferido. Los canales no seleccionados durante la búsqueda automática, no quedan disponibles cuando se realiza una búsqueda por saltos con el control remoto pulsando P+ o P- hasta llegar a un canal determinado. Esto suele ocurrir por ejemplo cuando el canal no estaba activo al realizar la búsqueda automática. Adicione el/los canales a la lista de preferidos del siguiente modo: Seleccione el menú “INSTALL” elija CHANNEL EDIT luego ADD/DELETE seleccione ADD.
La línea 11 “SOURCE” indica que fuente de señal ha sido seleccionada entre EXT1; EXT2; SVHS2 o sintonizador. Esta facilidad puede servir para determinar el correcto funcionamiento de las llaves analógicas selectoras de entrada. La indicación en pantalla debe interpretarse como lo que desea hacer el micro. Luego hay que verificar que las señales de salida hacia las llaves analógicas coincida con esta indicación y posteriormente observar si las llaves respetan estas señales.
La línea 12 “SOUND” indica que tipo de sonido está predispuesto entre las diferentes posibilidades que tiene el TV analizado. En el original se indica NICAM porque describe un TV para Europa en donde no se usa el sistema Americano Multichannel television sound, (sonido multicanal de TV), más conocido como MTS (ó también como BTSC, por “Broadcast Television Systems Comitee" que fueron sus creadores). La selección de un TV para América es, mono, BTSC, Estereo (I,D), L1, L2, SAP, virtual o digital.
Luego se observan los renglones 12, 13, 14 y 15 que indican el valor del volumen, balance y saturación de color existente en el TV en el momento de entrar en el modo CSM.
La pantalla CSM2 es como una continuación de la CSM1. Solo que en ella se observa la predisposición de Brillo, Contraste y Matiz (Hue). En la línea 9 aparece la leyenda “HOTEL MODE ON” si este modo está activado.
Todas estas indicaciones pueden ser útiles para el service en la medida que el TV no tiene pistas que modifican los niveles de continua de los circuitos integrados procesadores. En efecto todo el control se realiza por el I2CBUS y no tenemos posibilidades de verificar el código de datos de control. Por lo menos con CSM1 y 2 sabemos que el micro produce el código que controla el parámetro, aunque no sabemos donde se realiza el control, es decir si dicho código llega al integrado a controlar, o se lee dentro del micro antes de ser emitido.
CODIGOS DE ERROR
En este tema empleamos la palabra “BUFFER” sin explicar que es un buffer en realidad. Un buffer es una pequeña memoria no volátil o un sector de una memoria no volátil mayor. Puede estar incluida dentro del micro o existir exteriormente al micro. En nuestro caso posee posiciones en la pantalla SAM en la SDM o en la CSM1 o 2. En esas posiciones donde se guardan diferentes números que indican una o mas fallas que se produjeron en el equipo antes de borrar el buffer. Las posiciones del buffer se llenan comenzando por la izquierda.
En general si se realiza una reparación es conveniente limpiar el buffer para que el micro no genere una falsa protección aunque esto no esté perfectamente aclarado por el fabricante. Para limpiar el buffer se puede hacer varias cosas:
1 Activar CLEAR ERRORS en el SAM
2 Transmitiendo 0-6-2-5-9-9 con el control remoto
3 Por transmisión del comando “Diagnose 99 OK con el control remoto especial o con el programa ComPair.
4 Automáticamente. Sin hacer nada después de 50 horas de uso, en tanto no se produzca un cambio de contenido del buffer.
Cuando se lee el SAM o el SDM el buffer de error no se borra.
Por ejemplo si el buffer indica 0-0-0-0-0-0-0 significa que no se detectaron errores. Si se lee 6-0-0-0-0-0-0 significa que solo se leyó un error del tipo 6. Si se lee 9-6-0-0-0-0-0 significa que primero se produjo un error de tipo 6 y luego otro de tipo 9.
Si el error implica una falla en el funcionamiento de la pantalla, el contenido del buffer de error puede ser leído por observación del modo de titilación del led piloto. El código de titilación será explicado mas adelante.
A continuación vamos a explicar como se reparan algunos tipos de error comenzando por el error 4 por cortocircuito de la fuente de +5V. Lo primero a considerar es que se debe arrancar el TV en un modo que anule la protección de fuente porque en caso contrario el TV no arranca y no permite realizar mediciones.
A continuación hay que emplear el llamado método del electricista. Los CIs están en paralelo en lo que respecta a la conexión de fuente de +5V. Por lo tanto se debe desconectar la/las patas de fuente de un integrado borrar el error y encender hasta que deje de aparecer el error 4. Pero no es conveniente trabajar al azar porque seguramente se va a demorar mucho en encontrar el problema.
Recuerde que el CI regulador de +5V esta preparado para absorber un corto por unos 10 segundos. Luego se va a calentar y quemar. Pero el integrado en cortocircuito también se va a calentar del mismo modo. Por lo tanto un método rápido puede ser tratar de descubrir que integrado que cargue los +5V se calienta junto con el de fuente.
Un método mas apropiado se basa en utilizar la fuente de baja del SUPEREVARIAC que esta diseñada para limitar en 1A (no corta solo limita la corriente). Primero desconecte el choque 5931 (plano A10) del CI generador de +5V para que este integrado deje de generar tensión. Luego conecte la fuente de baja sobre el capacitor
2933 (tanto el positivo como el negativo deben conectarse directamente a los terminales de C2933). Encienda la fuente de baja y comience a medir tensión con el tester digital sobre cada CI que consuma de la fuente +5V pero teniendo la precaución de conectar la masa sobre la/las patas de masa del mismo integrado.
No espere medir 5V. Probablemente mida solo algunos milivoltios dependiendo de la magnitud del cortocircuito. Pero el CI que esté en corto será el que tenga menos tensión sobre él.
El método indicado por Philips consiste en ir desconectando los integrados que mas probabilidad de falla tengan. Recomienda:
Desconectar el procesador de sonido que se puede aislar levantando el choque
5620 (circuito A8).
La memoria de la línea de retardo de audio CI7601 levantando el choque
5601(circuito A7).
El sintonizador levantando el choque 5122 del plano A3.
El código de error 6 (falla general en el I2CBUS) se produce cuando:
1 Existe un cortocircuito de Clock (SCL) o datos (SDA) a masa.
2 Existe un cortocircuito de SCL a SDA.
3 SDA o SCL no están conectados al microprocesador.
El método de trabajo para reparar la falla 1 no difiere del que empleamos en un TV a TRC. Consiste en conectar un osciloscopio entre SDA y SCL y masa y observar que la señal cambie de 0 a 5V. Si no tiene osciloscopio utilice la sonda medidora de RF para ampliar el funcionamiento del tester digital.
Para la falla 2 utilice la sonda de RF entre ambas señales. Si no hay tensión cuando se opera el control remoto (por ejemplo para subir la saturación de color) seguro que hay un corto.
Para la falla 3 use el tester como óhmetro para observar la continuidad de la línea de SCL y de SDA hasta el microprocesador.
El código de error 8 (CI BOCMA sin comunicación con el micro) implica solo dos posibilidades de falla. Que el mismo integrado este fallado, o que la línea de SDA o SCL estén dañadas y no producen suficiente tensión sobre él. También se debe medir la tensión presente sobre la pata 14 (3,3V) o sobre la pata 23.
El código de error 9 (falta de 8V de fuente) no requiere mayores explicaciones. Simplemente mida la tensión sobre la pata 53. Si no tiene tensión siga el circuito hasta la fuente comenzando por el choque 5302.
El código de error 10 (error en el I2CBUS de la memoria EEPROM 7066) implica medir SCL y SDA sobre las mismas patas de la memoria.
El código de error 11 (error de identificación de la memoria) ocurre cuando el micro no reconoce a la memoria 7066 por diferentes problemas. Por ejemplo que la memoria no sea la adecuada, que este dañada (no escribe o no lee), etc. Esta falla se produce directamente al encender el TV, porque lo primero que hace el mismo es realizar una rutina de prueba de todos sus componentes conectados por I2CBUS.
El código de error 12 es explicito en cuanto a encontrar la falla. Si la memoria RAM
interna no pasa el test de prueba, hay que cambiar el Painter.
El código de error 13 (sintonizador que no se comunica con el micro) implica revisar que en sus patas de fuente 3, 6 y 7 tenga la tensión correcta.
Las fallas críticas en la plaqueta digital hacen que el TV entre en el modo de protección y en un corto periodo de tiempo se ponga en stand by generando un código de pulsos en el led piloto.
El código 21 indica que el JagASM (escalador) falló durante el test de prueba inicial. La prueba que se realiza es guardar un dato en una determinada dirección de memoria que luego se lee y compara con el dato original. Si hay alguna diferencia se considera que el escalador no podrá cumplir con su trabajo y antes de que se genere una imagen equivocada se prefiere enviar el TV a stand by y generar el código de error por el método del encendido por pulsos del led piloto.
EL COMPAIR Y OTROS MÉTODOS SIMILARES DE DIAGNOSTICO POR PC
La reparación de equipos electrónicos está ingresando en un camino nuevo que implica el uso de la PC como dispositivo de diagnóstico automático. En la mayoría de los casos se trata de sistema aun en desarrollo pero que seguramente serán de aplicación directa en pocos años. En realidad ya existen equipos que los emplean, como los camcorder y los teléfonos celulares, que no pueden ser reparados sin esta ayuda dada su construcción tan densa.
Fig 6 Conección de la interface para el ComPair en un LC03
En principio el programa de la PC realiza todas las funciones que analizamos hasta ahora y algunas mas que no se pueden realizar con el SAM y el SDM. La diferencia es que la PC hace todo automáticamente. Primero reconoce el tipo de equipo conectado. Luego realiza el análisis del buffer de error e indica la falla en forma explicita y no con un número de falla y posteriormente aconseja sobre los componentes a verificar solicitando pruebas especificas del tipo: “mida la tensión en la pata 45 del CI7522 de la placa analógica; teclee el valor hallado” y en función de este aconseja otra prueba o indica el cambio de un componente.
Reparación en modo de ajuste SAM
INTRODUCCIÓN
Reparar un TV a LCD no puede ser ni mas fácil ni mas difícil que reparar un TV a TRC. El problema es adecuarse a las nuevas técnicas de reparación teniendo en cuenta que estos TVs tienen una gran cantidad de circuitos digitales. En realidad aquel reparador que nunca dejó de estudiar no puede tener mayores dificultades en reparar un LCD porque en os últimos TV a TRC ya existían una gran cantidad de CI digitales que requerían técnicas similares de diagnóstico que un LCD.
Por ejemplo el modo SDM y SAM no son un invento reciente. Se vienen aplicando a los TV de Philips desde hace 6 o 7 años. Y aquel reparador que conoce esos modos sabe la gran ayuda que representan al reparar un TV.
El problema es en general para aquellos reparadores que no utilizan la PC. A ellos les quiero decir que su proceder es totalmente equivocado y que en un par de años mas no van a poder trabajar sin utilizar la PC. Creo que aun están a tiempo para ponerse al día y perderle el miedo al invento que cambió la vida de las personas.
Justamente, al final del capitulo anterior mencionamos solo uno de los sistemas de reparación de TV por PC mas difundidos de la actualidad: el ComPair. El nombre define claramente el uso de este programa ya que combina las palabras Computer y Repair (Computadora y reparación). Por el momento este sistema convive con los ya viejos SDM y SAM pero ¿cuánto tiempo faltará para que esas ayudas escritas desaparezcan de los manuales y solo se pueda aplicar el ComPair). Yo creo que muy poco tiempo y es de esperar que las empresas cumplan con las reglamentaciones de cada país y comiencen a dar la correspondiente información con referencia a la construcción de la interfaz y entreguen gratuitamente el programa para la PC.
En realidad por ahora parecen tener bastante poca ganas de colaborar porque realmente la interface no es necesaria para conectar una PC a un TV. El puerto serie, paralelo o USB puede utilizarse directamente para conectar un TV y una PC y el uso de una interfaz tiene un solo motivo: generar un mercado cautivo para quedarse con los clientes luego de periodo de garantía. En la mayoría de los países de América Latina existen leyes de protección al consumidor que castigan la generación de mercados cautivos. Denuncie al que no las respete.
PROBLEMAS EN LAS FUENTES DE LAS PLAQUETAS ANALÓGICA Y DIGITAL
Por cualquier problema de fuente el punto de partida de toda reparación es la tensión regulada de entrada provista por el conversor CA/CC externo que debe generar
12V en los TV de 15” y 24V en los de 17 y 23”. Si esta tensión medidas sobre las patas 1 y 4 del conector 1003 (circuito C1), no está presente la fuente externa está defectuosa o el TV tiene un cortocircuito que hace cortar a la fuente.
Luego mida la tensión de 3,3V sobre las patas del conector 2923 (circuito A10). Si no hay tensión probablemente la falla se deba al CI7920 o al el resistor 3925. También es posible que el circuito de la fuente de potencia del circuito C1 tenga alguna falla (ver las fallas típicas de la plaqueta digital).
Mida la actividad en sobre los resistores R3017 y R3085 del diagrama A1. En estos resistores tenemos situado el I2CBUS. Si el mismo no tiene actividad seguramente existe algún cortocircuito o circuito abierto en la línea de clock o de datos (seguramente el led de piloto está indicando que la protección de fuente esta activa). Tambien es posible que el reset del CI7064 no funcione debido a algún problema en los transistores T7063, T7067 y T6069 o en sus componentes asociados.
Mida la tensión sobre la pata 19 del conector 1010 del circuito A1. La señal de Stand By debe estar alta 2,9V si no lo está probablemente la falla se deba a que el microprocesador CI7064 este defectuoso sobre su pata 13 de salida. También es posible que exista un problema en el transistor 7062.
Mida la tensión sobre el capacitor C2913 que debe ser de +8,3B y sobre C2933 que debe ser de +5,4V ambos del circuito A10. Si estas tensiones no están presentes probablemente el problema este provocado por los CI7930 o 7910. El fusible 1903 este quemado. El MOSFET de conmutación 7900 o el transistor 7901 estén defectuosos.
Mida sobre C2207 del circuito C1. La tensión debe ser de +5V. Si no hay tensión el problema puede estar causado por una carga conectada a los 5V que este en cortocircuito; el regulador CI7001 defectuoso; el control de los transistores T7003 o T7002 en malas condiciones o la señal PW-CON-SCALER de la plaqueta de señal defectuosa.
Mida las patas 4 y 5 del conector 1402 del circuito C4. la pata 4 debe estar a una tensión de +4,7V y la pata 5 a +3,4V. Si estas tensiones no están presentes probablemente la causa sea el CI7402 (JagASM); el transistor 7403 o la plaqueta inversora defectuosas.
PROBLEMAS GENERALES
A) El TV se apaga o cambia de canal después de alguna de las siguientes acciones del usuario:
1 No sintoniza alguna señal identificable por mas de 15 minutos
2 El TV no recibe ninguna acción desde el control remoto o desde el panel frontal por mas de 2 horas
El TV tiene habilitada la señal de Auto Standby que precisamente realiza estas funciones y que viene habilitada por defecto desde la fabricación.
B) La pantalla indica “NO VIDEO IMPUT”:
1 Es muy probable que el TV este predispuesto para PC y la PC este apagada o este desconectado el cable VGA.
C) Si la pantalla esta oscura pruebe levantar el sonido para averiguar si el TV esta sintonizando un canal. Si el sonido es correcto:
1 Puede existir una falla en la plaqueta digital.
2 También podría ser una falla en la iluminación de back ligth. Mirando la parte trasera de la pantalla siempre se puede observar algún punto brillante que indica que los tubos están encendidos. También es posible iluminar bien la parte delantera de la pantalla y observar la existencia de una imagen muy velada. Otra posibilidad es conectar una señal por una entrada delantera de audio video y desconectarla abruptamente: en la pantalla se observará un especie de empañamiento debido al cambio brusco de nivel de señal. Nota un solo conector de tubos mal conectado causa que todos se apaguen; revise los zócalos de conexión.
Si la fuente del panel LCD esta conectada y con la tensión correcta pero no se aplica ningún dato (por ejemplo: se aplica señal por el conector 1506). Al existir alimentación desde la plaqueta digital a la pantalla en la misma aparece una señal secuencial azul, verde, roja, blanca, negra, gris oscura, gris clara y blanca repetidamente. Esto permite comprobar el buen funcionamiento del panel LCD.
ALINEACIÓN Y AJUSTE
Ya conocemos el modo de ingresar o egresar del modo SAM y SDM por lo que no vamos a repetirlo aquí. En cuanto a la navegación por los diferentes submenus ella se realiza por medios de los pulsadores de cursor arriba, abajo, izquierda y derecha del control remoto por lo que no creemos tener que realizar ninguna explicación al respecto.
Para realizar la alineación de este TV se deben tener en cuenta las siguientes condiciones:
Alimentarlo con una tensión de red de 100 a 240 V 50 o 60 Hz mediante su conversor CA-CC de fabrica por mas de 10 minutos. Cualquier equipo medidor que se conecte al TV debe tener una R mayor a 10 Mohms y una capacidad menor a 2,5 pF.
El modelo LC03 no presenta ninguna alineación o ajuste que deba ser realizado con preset, trimer o ningún otro componente físico.
En cuanto a la alineación por software ella se realiza por medio del SAM y se emplea para alinear la geometría, el blanco y el sintonizador (FI). Para guardar los datos se utiliza el mismo control remoto presionando MENU y luego seleccionando el modo stand-by para apagar el TV.
En la figura 7 se puede observar el despliegue completo del modo SAM. En el se observa claramente diferentes ajustes que vamos a enumerar a continuación:
Geometría: la alineación de geometría contiene solo dos ítems para alinear correctamente la geometría sobre las pantallas de 4/3: HOR SHIFT (corrimiento horizontal) que permite centrar la imagen sobre la pantalla (de modo similar al control de fase horizontal de los TVs a TRC) y H60 SHIFT que es una corrección cuando se trabaja con un sistema de 60Hz. En los tubos de 16/9 existe otro ajuste que se llama GEOMETRY SW (Super Wide) y que se ajusta por separado.
Blanco: en el submenú de WHITE TONE se puede cambiar la temperatura color entre NORMAL, DELTA COOL (Blanco Frío o Azulado). DELTA WARM (Blanco Caliente o rojizo) o de color un color (R G B) seleccionado con los cursores RIGTH/LEFT (izquierda y derecha).
El valor del modo normal puede ser seleccionado en el rango entre 0 y 255 en donde 128 representa el centro de banda en donde no existen tono azulado o rojizo. Luego se pueden seleccionar la variación hacia esos tonos seleccionando DELTA COOL o DELTA WARM. Nota: los valores de alineación no son lineales.
Este ajuste se debe realizar con una señal por la entrada de antena con un nivel superior a 10 mVrms (80dBV); el TV debe estar TV encendido por 20 minutos con la predisposición de temperatura de fabrica R=128, G=128 y B=128. Los valores de offset para COOL y WARM deben ser los precargados en la EEPROM. Las funciones INCREDIBLE PICTURE/CONTRAST+ y ACTIVE CONTROL (Blue Strech) apagada.
Este ajuste se realiza solo sobre la selección NORMAL.
Fig 7 Despliegue completo del modo SAM
Sintonizador: en un TV a TRC existen tres ajustes para la sección del sintonizador y la FI. El retardo del AGC; el ajuste de la frecuencia libre del PLL de la FI (o la bobina de carga en los modelos mas viejos) y el ajuste del AFT. De los tres en el LC03 solo queda el primero. Los otros dos no se ajustan, solo se verifica que su valor por defecto sea el correcto. El único ajuste que se debe realizar es el del AGC retardado. Este ajuste se realiza con una señal de RF de 10 mV sobre algún canal de VHF ingresando por la entrada de antena.
Active el SAM y seleccione el submenu de AGC. Conecte un tester sobre la pata 1 del sintonizador. Ajuste la tensión del sintonizador a 1V con 0,1
V de tolerancia con los pulsadores Rigth/left. Ponga el TV en Stand By para guardar los datos.
FALLAS DE COMUNICACIÓN Y DE PANTALLA LCD
Son muy pocas las oportunidades que nos da un TV a LCD para realizar una análisis por observación de pantalla. En efecto, como todo equipo moderno que posea I2BUS el/los microprocesadores están informados de cualquier falla que se produzca en el mismo y operan la protección apagando por completo el equipo, con lo cual lo protegen de mayores daños pero complican enormemente la reparación. En los TV a TRC las protecciones operaban de modo suficientemente lento como para que la aplicación del método de precaldeo del filamento sea suficientemente lenta como para permitir uno o dos segundos de observación de la pantalla sin protección y ese par de segundos era vital para realizar un diagnostico preciso.
Un TV a LCD tiene un bus más rápido y además dado su arranque casi instantáneo posee un video y sound killer que corta la información a la pantalla y de los parlantes precisamente por ese par de segundos que tarda en operar la protección. Cuando la pantalla se debería abrir ya esta operada la protección y no podemos espiar el funcionamiento desprotegido del TV.
Pero a favor del reparador está el hecho de que el I2CBUS es mas completo; la generación de señales de error es mas perfecta y eso permite determinar la zona dañada con bastante exactitud de modo que la reparación se puede realizar con el criterio general de “dividir para reparar”. Además los fabricantes terminaron con la falacia de los equipos que tenían un modo service muy preciso por pantalla cuando todos sabemos que la mayoría de las fallas se producen en este sector anulando la posibilidad de determinar el codigo de error. Ahora todos los códigos de error se pueden leer por la titilación del led piloto. Mas aun muchos equipos poseen un led piloto y un led de error de otro color que se combinan para indicar el código de falla. Resumiendo, el único cambio es el modo de realizar el diagnostico, que ahora debe realizar por el modo service y en algún tiempo mas se realizará por lo que podríamos bautizar modo PC.
Pero hay un sector del TV a LCD imposible de verificar por el modo service porque no puede estar alcanzado por el bus y que por lo tanto presenta fallas permanentes que se pueden catalogar con exactitud ya que tenemos todo el tiempo del mundo para observarlas. Además estas fallas no son peligrosas y no necesitan protección.
Un TV a LCD tiene una geometría de señales muy similar a las vías de un complejo ferroviario. Puede comenzar en ocho andenes que llegan a la estación central y que pueden continuar por varias estaciones permitiendo un claro control de la circulación de los trenes, pero en cierto momento las vías forman un abanico que se abre y por lo tanto se hace imposible de controlar. En el TV a LCD las señales viajan juntas por toda la plaqueta digital hasta llegar a los integrados transmisores de LVDS. Allí las señales se bifurcan en forma de fila y columna para barrer toda la pantalla. Toda esta parte no tiene control por I2CBUS por la gran cantidad de componentes de la pantalla.
Como método de trabajo; primero use el modo service para determinar la zona fallada. Luego si el modo service no le da ninguna pista comience con la mediciones. Tenga en cuenta que si el TV no da ningún código de error tampoco va a generar ninguna protección y le va a permitir trabajar cómodamente.
Las fallas en pantallas son características y pueden ser estudiadas metódicamente hasta cierto punto. De mas está decir que aquí se suman fallas en la fabricación de la
pantalla LCD que pasaron desapercibidas en el momento en que los TVs fueron probados en fabrica (si es que fueron probados por una persona y si es que fueron probados completos) y fallas de construcción, armado y soldadura de los flex y los CI receptores de LVDS desparramados por toda la pantalla.
Si Ud. tiene en su mente una idea concreta de cómo llega la información de fila y columna a partir de los datos que salen hacia los transmisores LVDS puede llegar a interpretar las fallas en pantalla sin mayores inconveniente aunque no podemos decir que sea un análisis simple e inmediato.
En este lugar vamos a tratar de dar una idea de cómo atacar un problema general al reparar un LCD para luego pasar a los problemas mas parciales que incluyen a la pantalla y su comunicación.
El receptor tiene un punto de división muy preciso que debemos aprovechar siempre. Es el conector de R G y B analógico existente en el JagASM. Existe un solo caso que podría complicar el diagnostico y es cuando no encienden los tubos. En ese caso se corta el video y se complica todo (no todos los LCD tienen esta protección). Si la tienen se debe probar por separado el inverter y los tubos antes de continuar con el diagnostico o alimentar los tubos con un inverter externo de prueba.
Ahora, si los tubos están encendidos no se requiere prueba alguna. Verifique la señal en el conector analógico de salida con un osciloscopio o una sonda de RF. Si no tiene señal deberá buscar el problema antes del bloque JagASM, si las señales son normales el problema es posterior; se encuentra en la salida para los integrados LVSD, en los LVSD mismos o la pantalla.
Si el problema es anterior le queda el recurso de probar el TV con una PC. La PC ingresa directamente al JagASM así que una prueba exitosa indica que la falla está antes del JagASM.
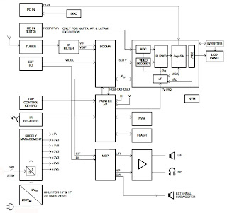
Fig 8 Diagrama en bloques final del LC03
Ahora se puede probar el FLI2300. No hay una prueba directa porque nada le ingresa directamente. Pero a el le ingresan dos señales, cada uno por su correspondiente decoder: la señal SDTV y la señal HDTV. Como es difícil que ambos conversores se dañen al mismo tiempo, si la prueba de ambos no genera señal en la pantalla la falla debe estar en el FLI2300.
El problema es de donde sacar las señales adecuadas para realizar la prueba. La señal SDTV; una R G B y su señal de sincronismo compuesto se puede obtener del generador fabricado por el autor. Para la señal de HDTV se puede utilizar un receptor de cable o aire que este preparado para alta definición aunque no este habilitado porque la señal característica sale en HD directamente. Ya estamos trabajando en un generador que llamamos “multitodo” que genere SDTV multinorma con salida compuesta de video, SVHS, R G B estándar, HDTV y R G B de PC para que el lector pueda trabajar cómodamente; solo necesitamos que la secretaria de comunicaiones de Argentina se expida sobre que sistema de TDT utilizar.
En este punto el problema ya se acerca a etapas mas conocidas porque se traslada a las etapas analógicas comunes de los TV a TRC. Estas etapas fueron analizadas con mucho detalle y no creemos necesario insistir en su modo de reparación.
De cualquier modo nos queda algún comentario extra sobre como encarar la reparación de la sección de audio. Lo primero es determinar que tipo de amplificador de potencia de audio tiene el TV: analógico, semidigital, digital PWM, digital con parlantes comunes o digital con parlantes multifilares. Para recién después encarar la reparación.
El tema es muy largo y necesitaríamos un curso completo para dar toda la ayuda necesaria para el service, pero vamos a tratar de resumir el problema.
Si se trata de un analógico comience midiendo las dos tensión de fuente de salida una negativa y otra positiva que en este caso son fijas. Si es un semidigital debe medir las
4 salida fijas, dos positivas y dos negativas. Los PWM tienen dos fuentes positiva y negativa fija. Los otros sistemas digitales requieren fuentes de los dos signos variables de
0 a la tensión máxima de salida para poder ajustar el volumen.
En un sistema con parlante multifilar el parlante tiene 8 salidas y un terminal común de masa. Si tiene distorsión debe medir las 8 salidas que tienen resistencias que son proporcionales a la serie 1, 2, 4, 8, 16, 32, 64, 128.
Dejemos de lado la reparación de un amplificador analógico por considerarla conocida por todos. En un semidigital la cosa se complica pero la única diferencia con un analógico esta en la lógica de encendido de fuentes que debe verificarse con una fuente EVARIAC variando la tensión de salida de desde 0 a la tensión máxima positiva y luego desde cero hasta la tensión máxima negativa mientras se observan la tensión de alimentación del par de salida (desconecte el parlante mientras realiza la prueba).
Un PWM tiene una etapa de salida muy fácil de reparar. Solo un par de MOSFET de conmutación y dos fuentes + y – un choque y un capacitor de filtro. Todos son componentes que se pueden medir fácilmente, los pasivos con un tester y los activos con una fuente y un tester según explicáramos en el capítulo dedicado a los MOSFET.
Un amplificador digital para parlante común o para parlante multifilar también es muy fácil de reparar porque solo tiene transistores mosfet de conmutación. Solo debe desconectarlos y medirlos.








No hay comentarios:
Publicar un comentario